SHDB1.0mm间距系列

技术参数:

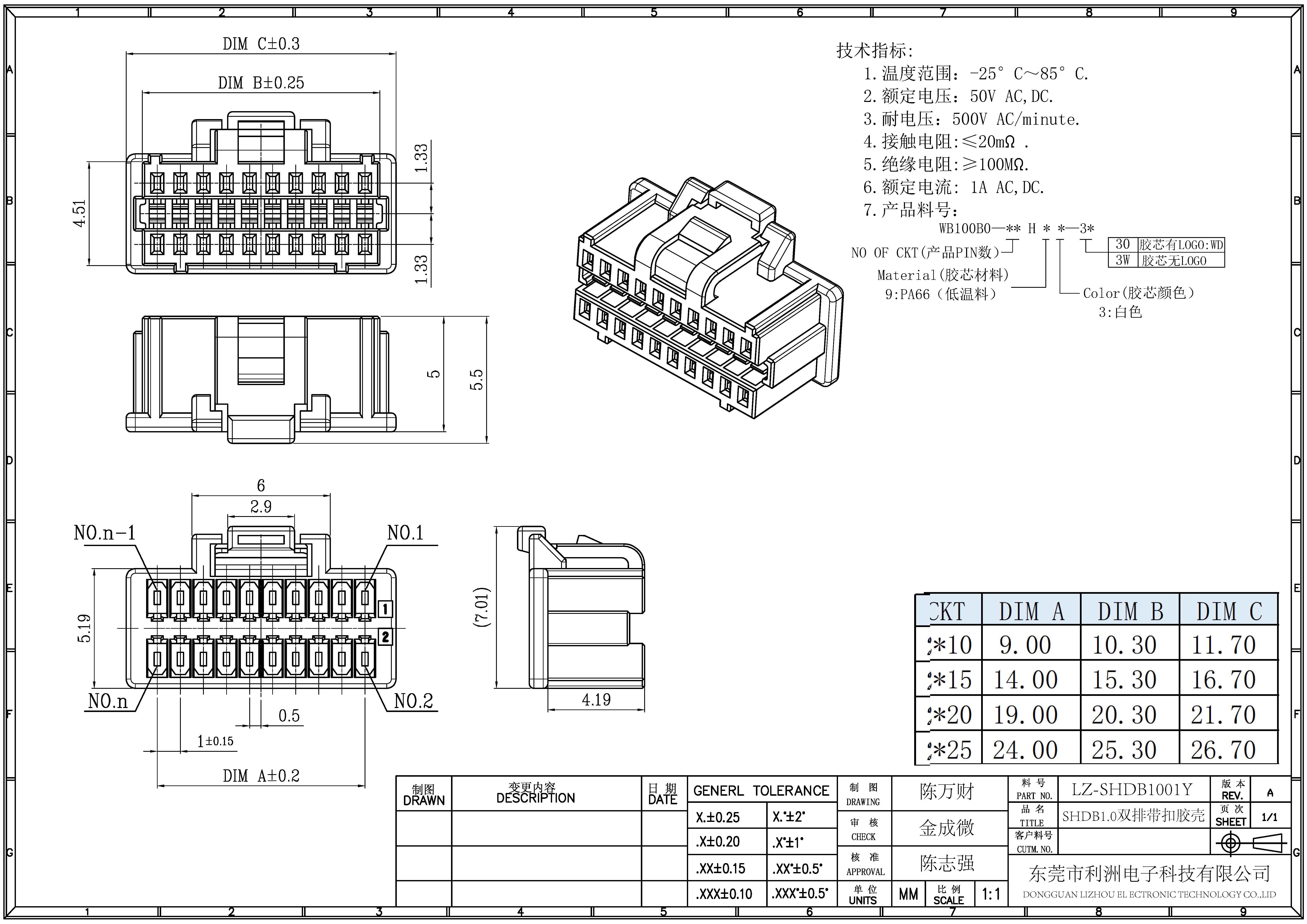
Poles: 20 to 50

Contact resistance: ≤20mΩ

Insulation resistance: ≥100MΩ

Rated voltage: 50V AC DC

Rated current: 0.8A AC DC

Withstand voltage: 250V AC/minute

Temperature Range: -25℃~ +85℃

Housing: PA9T UL94V-0,Natural

Contacts: PhosphorBronze/Gold-plated

Solder tabs: Brass/MATTE Sn-plated

Cap: PA9T UL94V-0,Narural

给我留言

如果您对我们有任何意见,建议或需求,请与我们联系.

含有*的内容为必填项,其他可选项。

您可能感兴趣

BEVICTOR伟德
网站地图