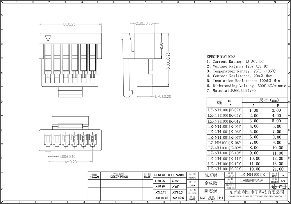
NH1.0mm间距系列

技术参数:

Poles: 2 to20P

Contact resistance: 20mΩMax

Insulation resistance: 100MΩMin

Rated voltage: 125V AC,DC

Rated current : 1A AC,DC

Withstand voltage: 500V AC/minute

给我留言

如果您对我们有任何意见,建议或需求,请与我们联系.

含有*的内容为必填项,其他可选项。

您可能感兴趣

BEVICTOR伟德
网站地图