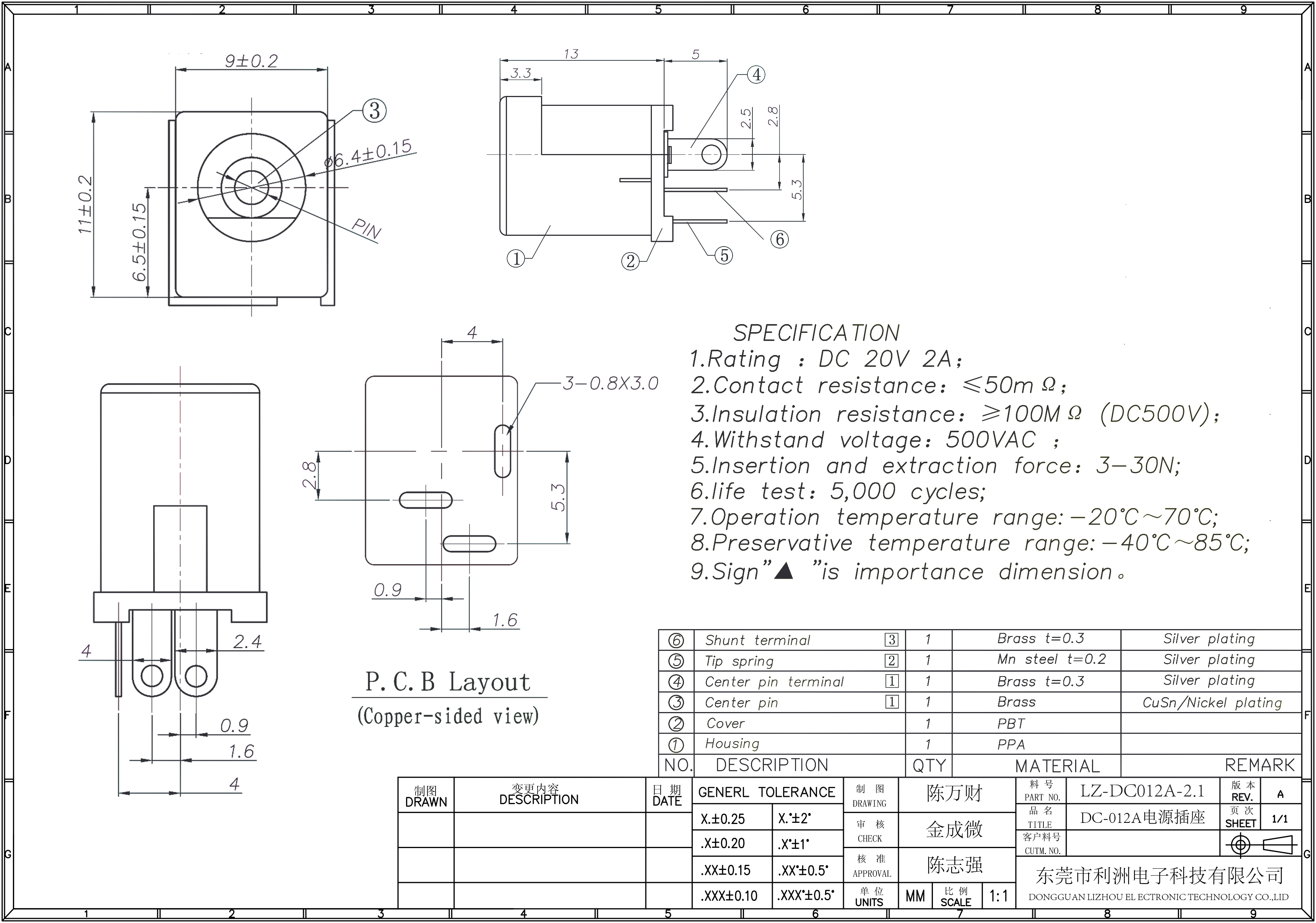
DC-012A电源插座5.5 2.1 2.5针芯

技术参数:

Rating: DC 20V 2A

Contact resistance: ≤50MΩ

Insulation Resistance: ≥100MΩ(DC500V)

Withstand voltage: 500VAC

Insertion and extraction force: 3-30N

life test: 5000 cycles

Operation temperature range: -20℃~70℃

给我留言

如果您对我们有任何意见,建议或需求,请与我们联系.

含有*的内容为必填项,其他可选项。

您可能感兴趣

网站地图