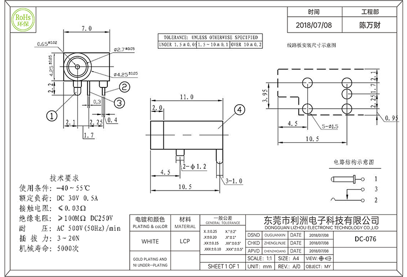
DC-076电源插座2.5X0.7针芯

技术参数:

Temperature Range: -40°C~+55°C

rated load: DC 30V 0.5A

Contact resistance: ≤0.03mΩ

Insulation resistance:  ≥100MΩ DC250V

Withstand voltage: AC 500V(50Hz)/min

Insertion and extraction force: 3~20N

给我留言

如果您对我们有任何意见,建议或需求,请与我们联系.

含有*的内容为必填项,其他可选项。

您可能感兴趣

网站地图