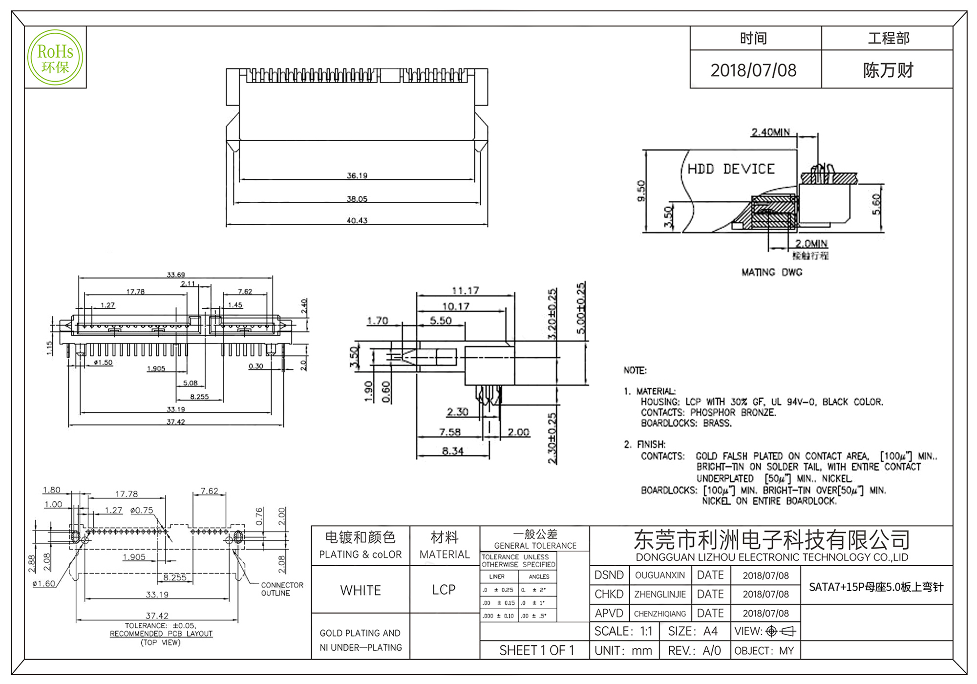
SATA7+15P母座5.0H板上90度弯针

技术参数:

Housing: LCP WITH 30% GF UL 94V-0 BLACK COLOR

Contacts: Phosphor Bronze

Boardlocks: Brass

Finsh Contacts: gold falsh plated on contact area [50u"] min bricht-tin on solder tail with entire contact underplated [50u"] min nickel

Finish Boardlocks: [100u"] min bricht-tin over [50u"] min nickel on entire boardlock

给我留言

如果您对我们有任何意见,建议或需求,请与我们联系.

含有*的内容为必填项,其他可选项。

您可能感兴趣

BEVICTOR伟德
网站地图