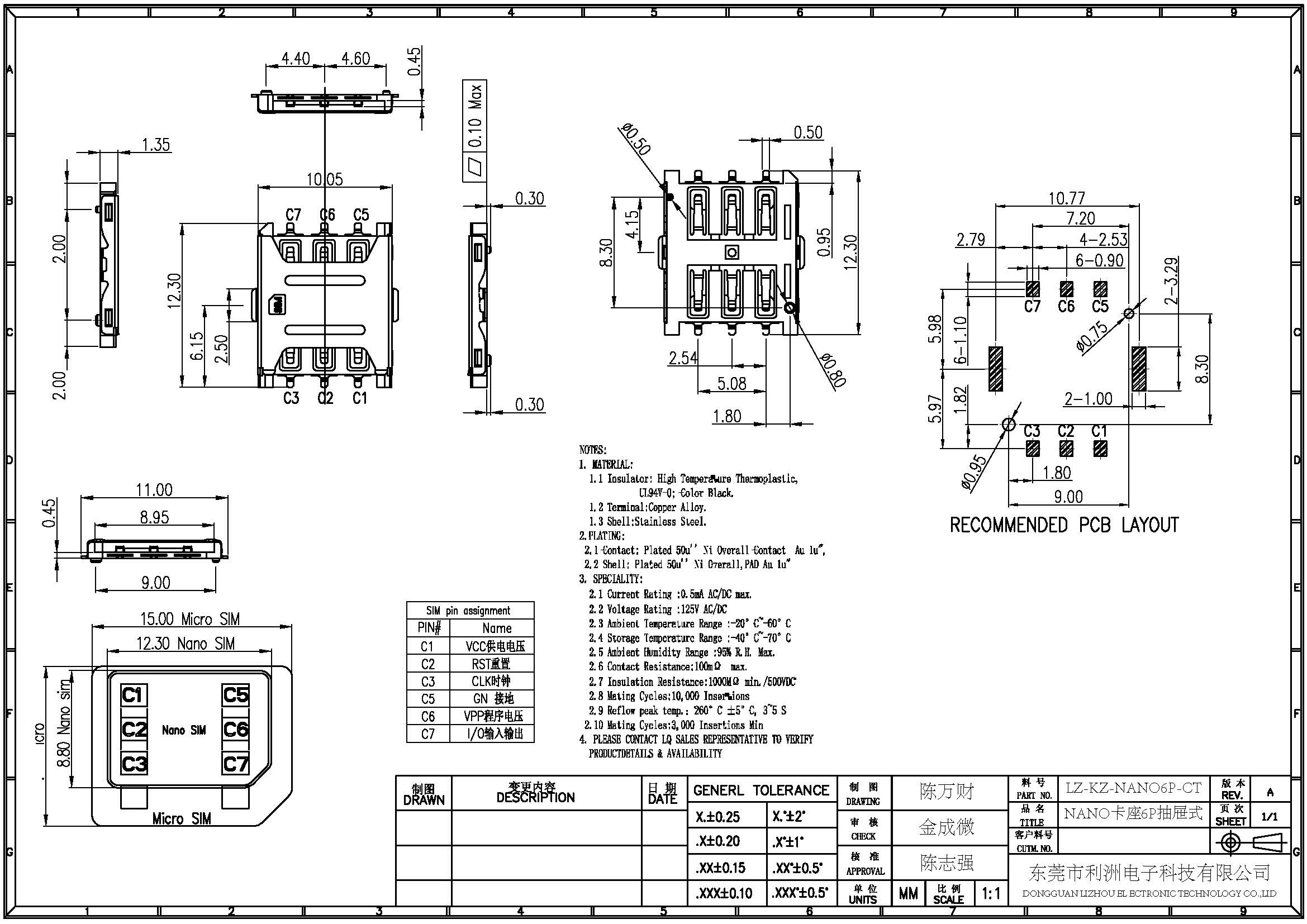
NANO卡座6P抽屉式

技术参数:

Current Rating: 0.5mA AC/DC max.

Voltage Rating: 125V AC/DC

Ambient Temperature Range: -20℃~-60℃

Storage Temperature Range: -40℃~-70℃

Ambient Humidity Range: 95% R.H. Max.

Contact Resistance: 100mΩ Max.

Insulation Resistance: 1000MΩ min./500VDC

Mating Cycles: 3000 Insertions Min

Reflow peak tenp: 260℃±5℃,3~5 S

给我留言

如果您对我们有任何意见,建议或需求,请与我们联系.

含有*的内容为必填项,其他可选项。

您可能感兴趣

BEVICTOR伟德
网站地图