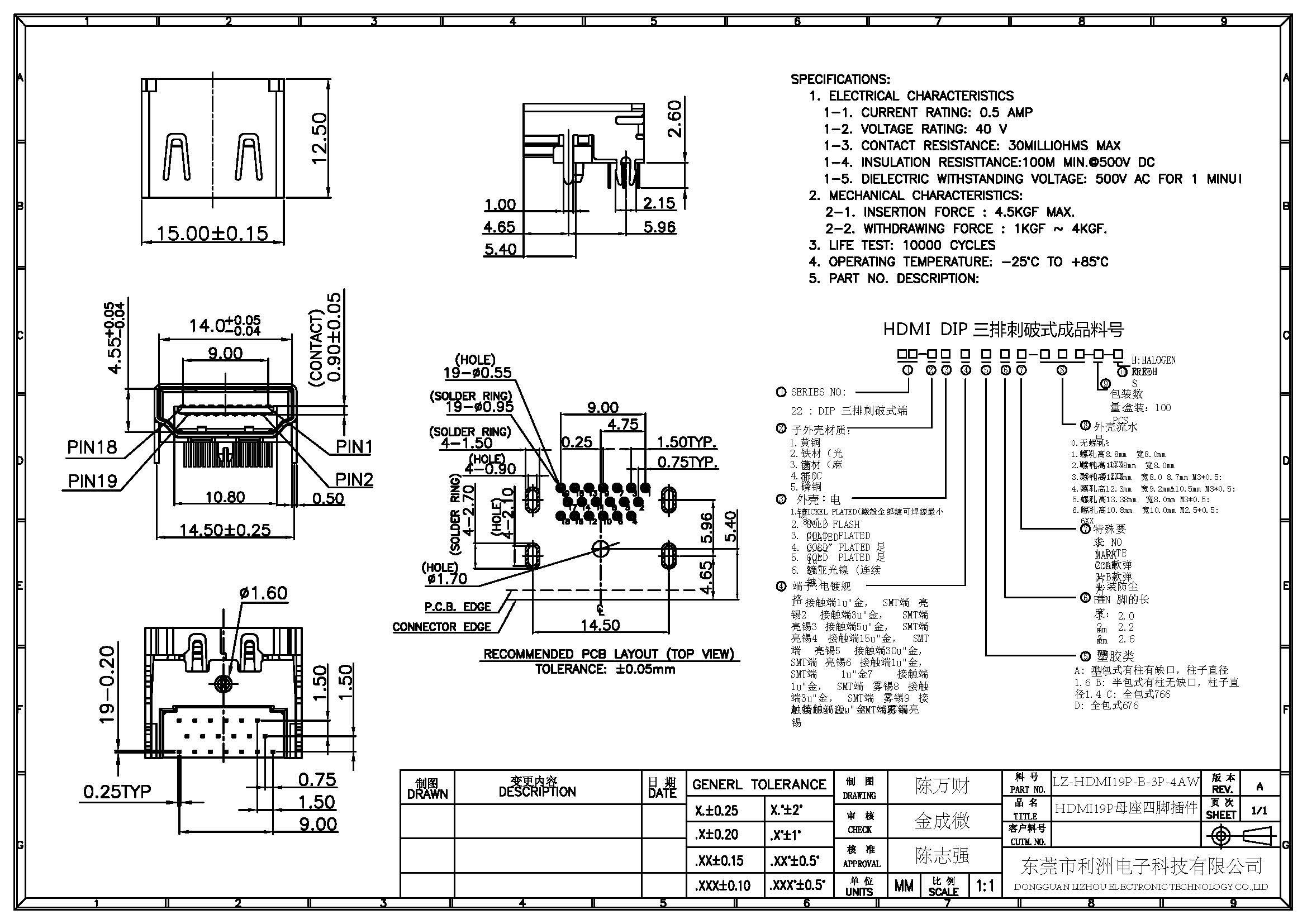
HDMI母座三排四脚卧式

技术参数:

Current rating: 0.5 AMP

Voltage rating: 40V

Contact resistance: 30milli ohms MAX

Insulation Resistance: 100M MIN.®500V DC

Dielectric Withstanding Voltage: 500V AC FOR 1minui

Life test: 10000 cycles

Operating temperature: -25℃ TO +85℃

给我留言

如果您对我们有任何意见,建议或需求,请与我们联系.

含有*的内容为必填项,其他可选项。

您可能感兴趣

BEVICTOR伟德
网站地图