圆形磁吸磁力充电头7.5mm间距

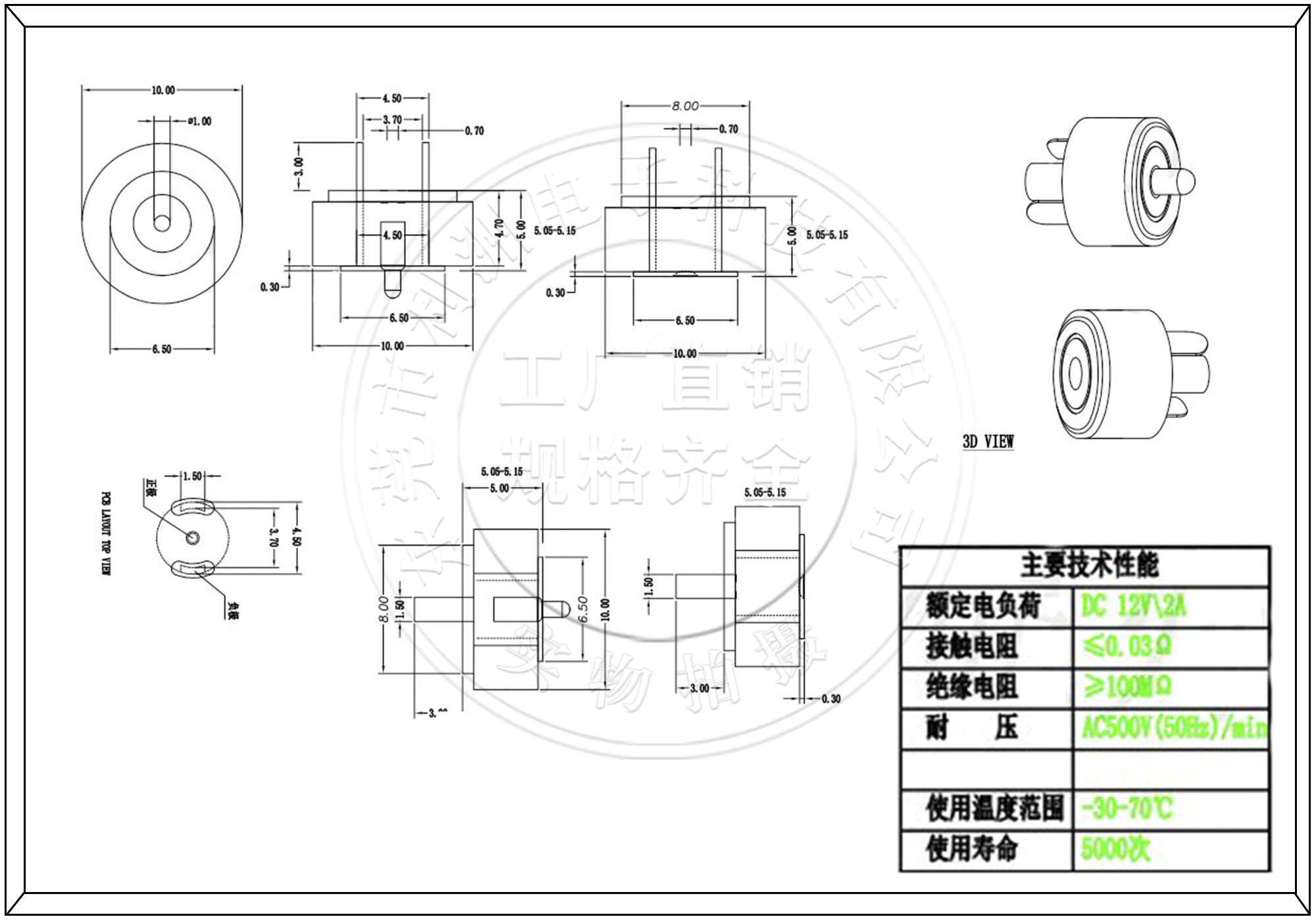
技术参数:

额定电负荷: DC 12V\2A

接触电阻: ≤0.03Ω

绝缘电子: ≥100MΩ

耐压: AC500V(50Hz)/min

使用温度范围: -30-70°C

使用寿命: 5000次

给我留言

如果您对我们有任何意见,建议或需求,请与我们联系.

含有*的内容为必填项,其他可选项。

您可能感兴趣

网站地图