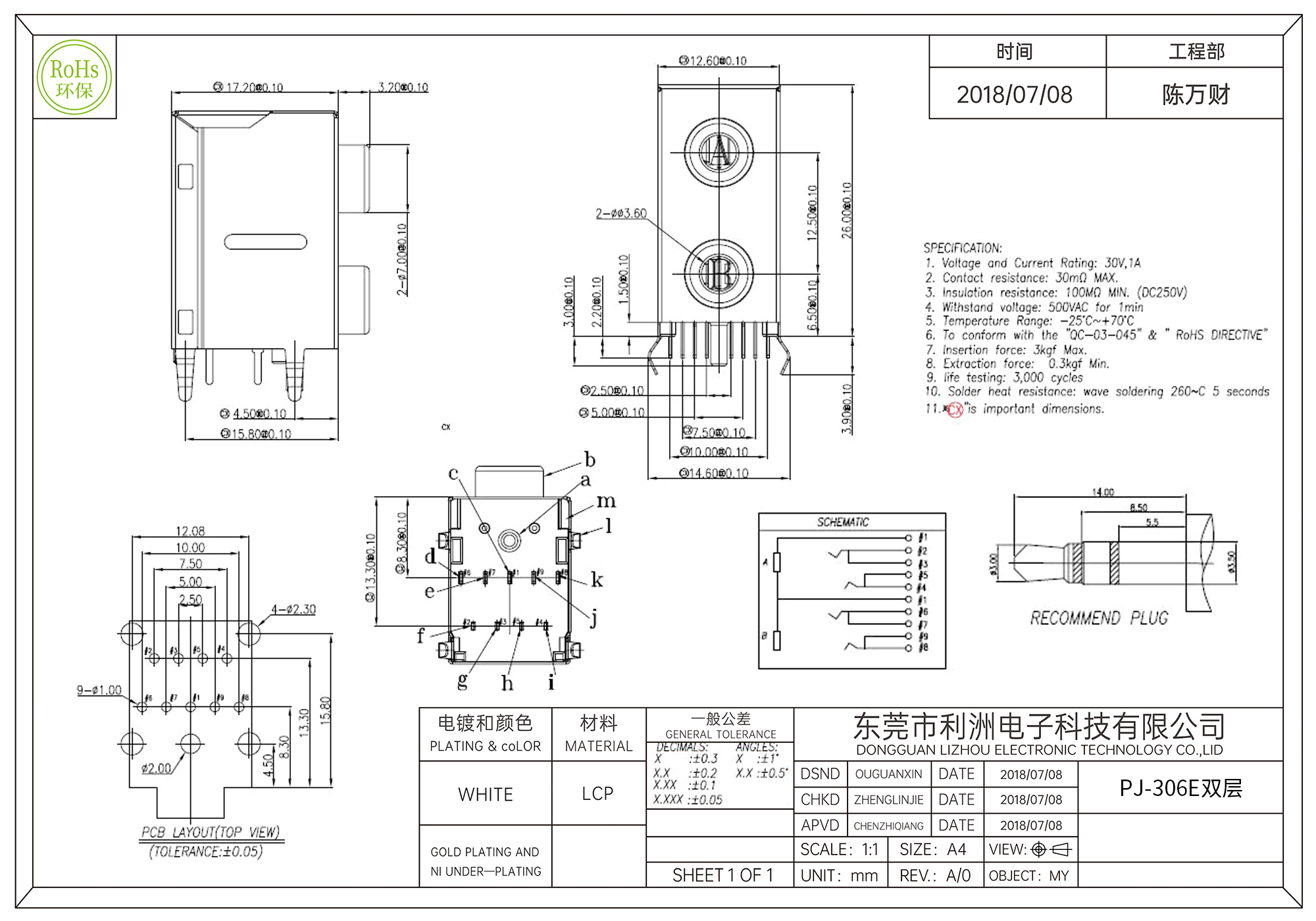
PJ-306E耳机插座3.5mm双层

    技术参数:

    Temperature Range:  -25°C~+70°C

    Voltage And Current Rating: 30V 1A

    Contact resistance: 30mΩ Max

    Insulation resistance: 100mΩ Min(DC250V)

    Withstand voltage: 500V AC For 1 min

    Life testing: 3000 cycles

    给我留言

    如果您对我们有任何意见,建议或需求,请与我们联系.

    含有*的内容为必填项,其他可选项。

    您可能感兴趣

    网站地图