语言
产品详情请点击资料下载→下载图纸
HY2.0带扣系列
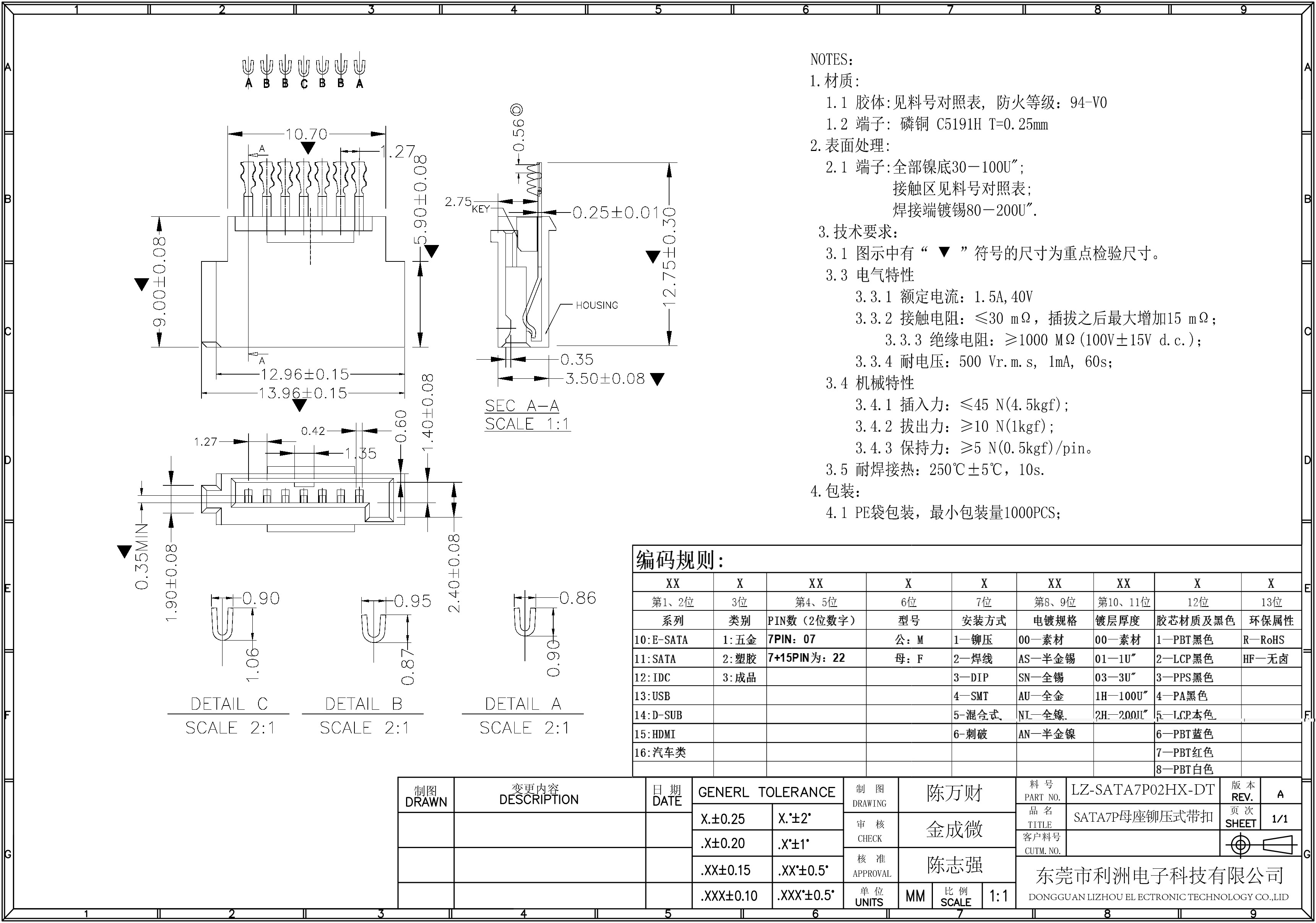
技术参数:
Rated current: 1.5A 40V
Contact resistance: ≤30mΩ
Insulation resistance: ≥1000MΩ(100V±15V DC)
Withstand voltage: 500V rms 1ma 60s
Insertion and extraction force: 10N~45N
Welding heat resistance: 250°C±5°C,10s
如果您对我们有任何意见,建议或需求,请与我们联系.
含有*的内容为必填项,其他可选项。
PH2.0mm间距系列
PA2.0mm间距系列