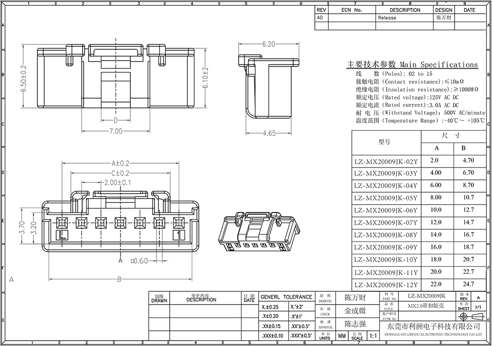
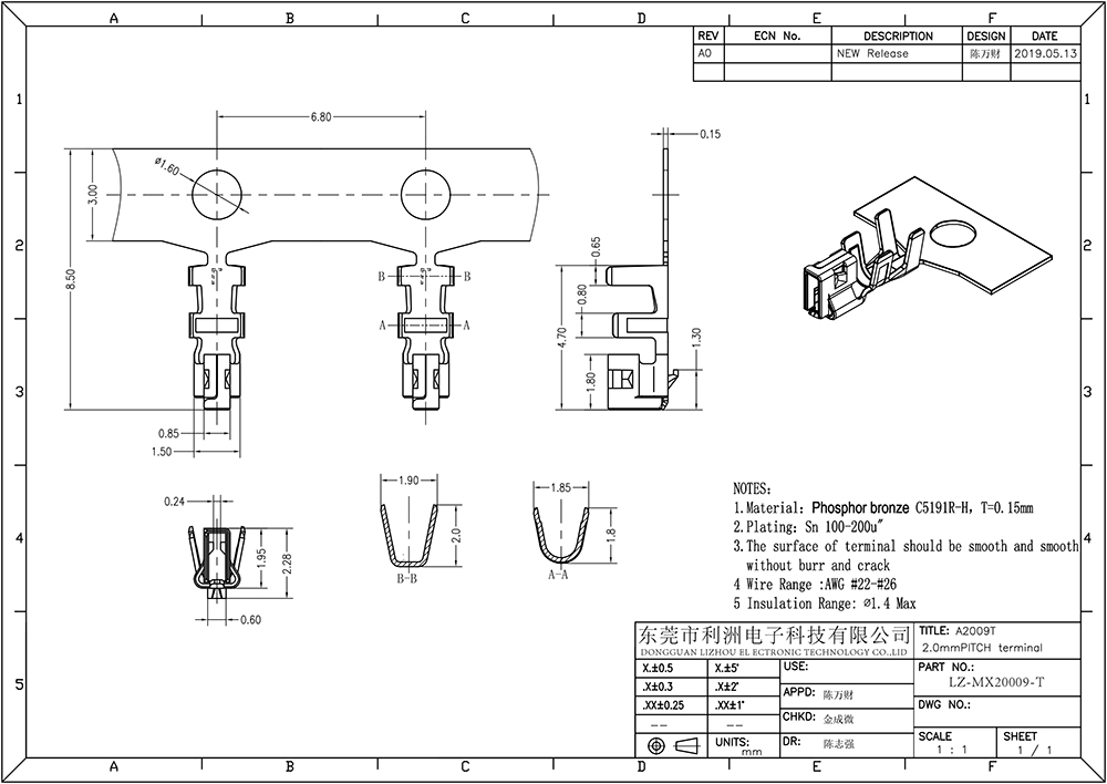
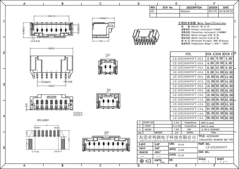
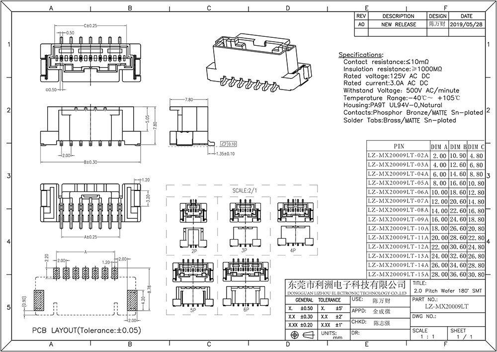
MX2.0mm间距系列

技术参数:

Poles: 2 to 15P

Contact resistance : ≤10mΩ Min

Insulation resistance : ≥1000MΩ Min

Rated voltage: 150V AC DC

Rated current : 3.0A AC DC

Withstand voltage: 500V AC/minute

给我留言

如果您对我们有任何意见,建议或需求,请与我们联系.

含有*的内容为必填项,其他可选项。

您可能感兴趣

BEVICTOR伟德
网站地图